Досчитай до 1000000

Курилка на все остальные темы
UA9-140
Сообщения: 199
Зарегистрирован: 02 июл 2016, 14:06
Позывной ПАРК59: Еще думаю...
Рация: на бронепоезде
Авто: 4x4
Номер клубной карты: 0

Re: Досчитай до 1000000

Непрочитанное сообщение UA9-140 »

Р-641 «Искра» корабельный КВ радиопередатчик.
r641_a.jpg
UA9-140
Сообщения: 199
Зарегистрирован: 02 июл 2016, 14:06
Позывной ПАРК59: Еще думаю...
Рация: на бронепоезде
Авто: 4x4
Номер клубной карты: 0

Re: Досчитай до 1000000

Непрочитанное сообщение UA9-140 »

Японская СиБишка Royce 642. Производилась в 197х годах.
Вес около 7 кг. Мощность 4 Вт.
royce_642.jpg
UA9-140
Сообщения: 199
Зарегистрирован: 02 июл 2016, 14:06
Позывной ПАРК59: Еще думаю...
Рация: на бронепоезде
Авто: 4x4
Номер клубной карты: 0

Re: Досчитай до 1000000

Непрочитанное сообщение UA9-140 »

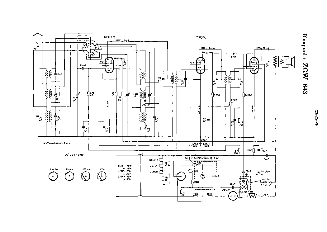
Для ценителей тёплого лампового звука:
Радиоприёмник Blaupunkt ZGW643 (1943 год Берлин)
Blau RX 643 .jpg
Blau 643.jpg
blau sch.png
UA9-140
Сообщения: 199
Зарегистрирован: 02 июл 2016, 14:06
Позывной ПАРК59: Еще думаю...
Рация: на бронепоезде
Авто: 4x4
Номер клубной карты: 0

Re: Досчитай до 1000000

Непрочитанное сообщение UA9-140 »

MFJ-644
Переключатель Один оператор - Две радиостанции
MFJ-644.jpg
Вложения
MFJ-644_Manual.pdf
(926.27 КБ) 733 скачивания
Ответить